Accédez aux ressources directement depuis les compétences, savoirs, activités professionnelles, centres d'intérêt des référentiels, ainsi qu'aux sujets d'examen et séminaires nationaux.
publié le 10 jan 2022 par Benoît GOULET
Option : Systèmes Énergétiques et Fluidiques
Durée : 4h - Coefficient : 4
Maison multi-crèches
Dans le cadre des services publics municipaux, une commune possède plusieurs structures multi accueil ayant pour mission d’accueillir pendant la journée les enfants âgés de 10 semaines à 4 ans. Vous faites partie de la société, qui vient de remporter l’appel d’offre relatif à la conduite et l’entretien courant des installations énergétiques (contrat P2).
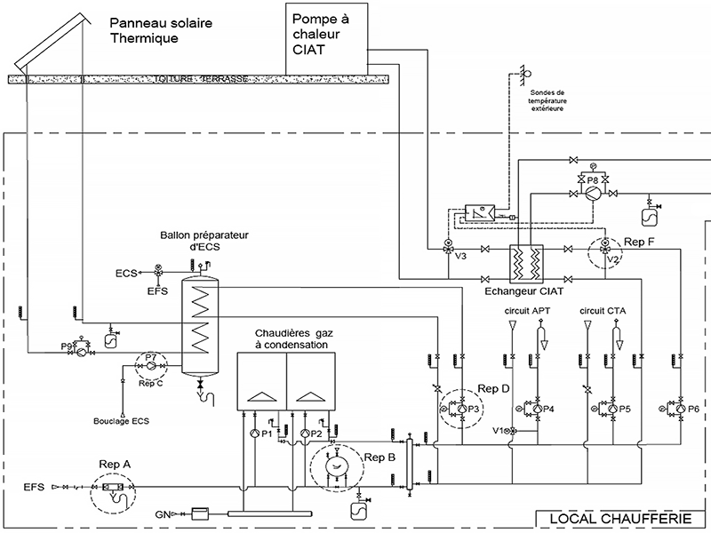
1 - Analyse préliminaire
Cette analyse a pour but de vous aider dans la compréhension du fonctionnement de l’installation. La visite du site à permis d’appréhender l’ensemble de la chaufferie et de mettre en évidence 3 problématiques :
2 - Amélioration du confort thermique dans les crèches
Le personnel de crèches à remonter un problème de chauffage des locaux et se plaignent du froid notamment le matin en période hivernale et plus particulièrement le lundi.
3 - Dépannage, mise en service et contrôle de fonctionnement de la PAC
A la suite de l’arrêt de la pompe à chaleur, pour effectuer le diagnostic de l’installation ainsi que des opérations de maintenance préventive, le prestataire doit effectuer un dépannage avant la mise en service de la PAC. Le technicien soupçonne un problème sur la sonde extérieure raccordée au régulateur SIEMENS.
4 - Analyse de la production d'ECS et de son impact environnemental
Dans le cadre de sa démarche écologique le client vous demande d’effectuer une étude sur le rejet carbone de l’installation solaire.