Accédez aux ressources directement depuis les compétences, savoirs, activités professionnelles, centres d'intérêt des référentiels, ainsi qu'aux sujets d'examen et séminaires nationaux.
publié le 02 Juil 2017 par Benoît GOULET
Option B : Travaux Publics et Manutention
Durée : 3 heures Coefficient : 1.5
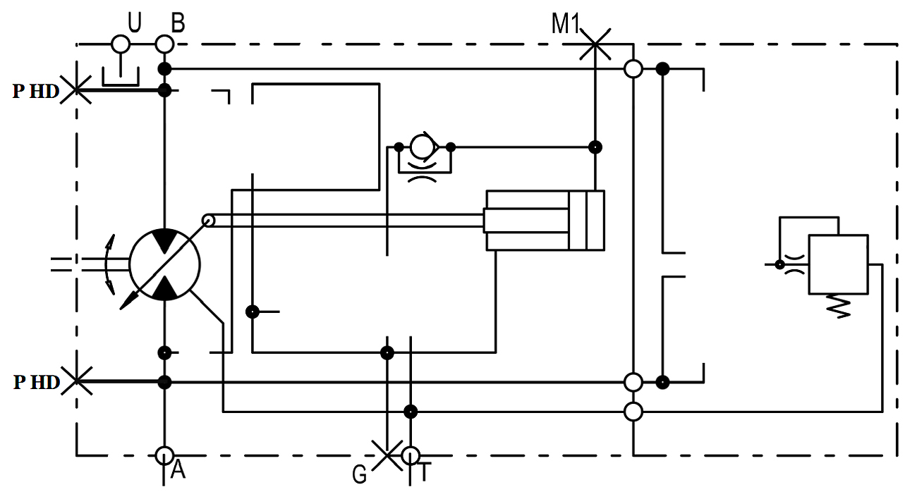
Chargeurs sur pneumatiques MIDI NEW-HOLLAND W50BTC
Problématique :
Monsieur Mourgues est à la tête d’une entreprise de bâtiment et de travaux publics. Pour alimenter sa centrale à mortier il possède une chargeuse articulée New-Holland du modèle W50 BTC. Depuis quelques temps le chauffeur se plaint d’un manque de couple de la machine en MAV en vitesse route dés que l’effort résistant devient trop important. Asa demande les établissements Zanatta au sein de laquelle vous travailliez comme technicien sont chargés du diagnostic et de sa réparation. Afin d’appréhender le travail avec le maximum de rigueur vous allez dans un premier temps étudier le fonctionnement de la transmission hydrostatique de cette chargeuse.
Ce sujet propose :