Accédez aux ressources directement depuis les compétences, savoirs, activités professionnelles, centres d'intérêt des référentiels, ainsi qu'aux sujets d'examen et séminaires nationaux.
publié le 27 juin 2016 par Benoît GOULET
Baccalauréat Professionnel
Maintenance des Équipements Industriels
Durée : 4h Coefficient : 4
Cette ligne automatisée produit des aliments de haute qualité pour les chiens et les chats et les conditionne sous différents formats de 25 kg, 15 kg et 4,5 kg. Le palettiseur permet le positionnement de sacs d’aliment sur une palette. Celui-ci peut ranger, soit 12 sacs de 4,5 kg, soit 5 sacs de 15 kg ou 3 sacs de 25 kg par rangée sur 12 niveaux. La masse d’aliment par palette varie entre 648 kg et 900 kg.
Problématique 1 :
Lors des réunions hebdomadaires entre le responsable de maintenance et les responsables de production, il a été constaté que le système de palettisation était souvent arrêté et pénalisait très largement la production. Pour y remédier, le responsable maintenance décide de faire l'analyse des historiques de pannes sur 2 ans.
Problématique 2 :
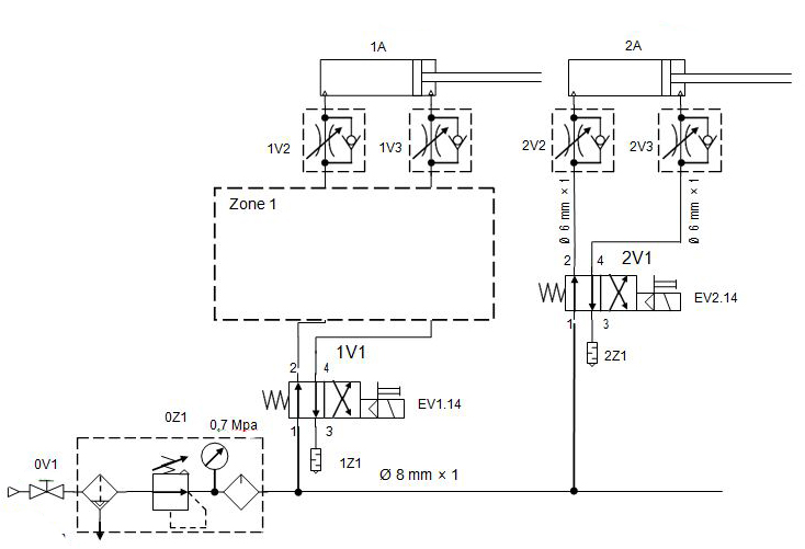
Lorsque le système palettise des sacs de 4,5 kg, l’opérateur constate que certains sacs sont déchirés quand ils sont pris par la tête de dépose.
Problématique 3 :
L’intégration d’un régulateur de pression proportionnel nécessite une modification du programme et doit prendre en compte la gestion de la consigne donnée au régulateur.
Problématique 4 :
Le service maintenance décide d’améliorer la disponibilité du palettiseur car il a été constaté que le conditionnement en 4,5 kg provoquait un mauvais positionnement du sac lorsque la tête du palettiseur le dépose sur la palette. Afin d’éviter l’arrêt systématique du palettiseur suite au changement de format (25, 15 ou 4,5 kg), le service maintenance décide de conserver l’ancien motoréducteur, et d'installer un variateur de vitesse afin d'obtenir 2 plages de vitesse.
Problématique 5 :
Sachant que la tête du palettiseur pénalise la ligne de production lors d’un arrêt de celle-ci, le responsable maintenance a décidé de prévoir une intervention. A cet effet, vous allez devoir déposer la tête du palettiseur dans l’atelier.