Accédez aux ressources directement depuis les compétences, savoirs, activités professionnelles, centres d'intérêt des référentiels, ainsi qu'aux sujets d'examen et séminaires nationaux.
publié le 20 juin 2023 par Benoît GOULET
Durée : 4h - Coefficient : 4
Enrubanneuse automatique de carton
L’objet de cette étude est une enrubanneuse automatique de cartons de même format en provenance d’une ligne de remplissage. La caisse en carton, qui arrive par convoyeur, est prise par 2 bandes d’entraînement de chaque côté de celle-ci, les rabats supérieurs sont pliés puis fermés par un ruban adhésif sans l’aide de l’opérateur.
Problématique 1 : Le service maintenance souhaite améliorer la maintenabilité de l’enrubanneuse. Depuis deux ans à été mis en place un suivi des interventions. Nous vous demandons d’analyser les temps d’arrêt et de déterminer les arrêts les plus pénalisants sur cette machine.
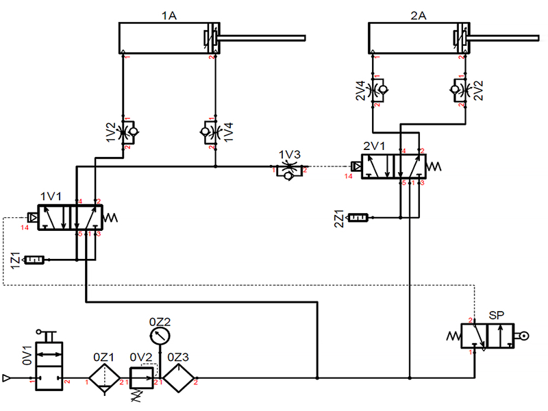
Problématique 2 : Le service maintenance souhaite réaliser des interventions de maintenance sur le vérin pneumatique 1A qui actionne le bras qui ferme le rabat postérieur du carton de l’enrubanneuse mais la sécurité n’est pas suffisante. Des modifications sont demandées.
Problématique 3 : Le service maintenance souhaite améliorer la signalisation de l’enrubanneuse qui est inexistante pour détecter rapidement son état de fonctionnement. On souhaite installer une colonne lumineuse avec deux éléments lumineux.
Problématique 4 : L’enrubanneuse fonctionne à l’écart de la production. L’opérateur n’étant pas toujours proche de la machine, le service maintenance a constaté que la détection par l’opérateur d’un ruban adhésif déchiré sur l’enrubanneuse n’était pas assez rapide et engendrait l’absence de scotch sur les cartons. Pour cela, on souhaite installer un avertisseur sonore sur la colonne lumineuse.
Problématique 5 : L’opérateur a constaté que le moteur M2 fonctionne normalement mais que le moteur M1 ne démarre pas et fait un grognement anormal, ce qui fait déclencher le disjoncteur magnétothermique Q3. Le service maintenance doit réaliser un diagnostic puis faire la réparation qui s’impose.
Problématique 6 : Le service méthode décide de remplacer les deux moteurs asynchrones triphasés M1 et M2 par des moteurs brushless alimentés en courant continu, dans le but de modifier les cadences de production.