Accédez aux ressources directement depuis les compétences, savoirs, activités professionnelles, centres d'intérêt des référentiels, ainsi qu'aux sujets d'examen et séminaires nationaux.
publié le 05 Sep 2021 par Benoît GOULET
Option B : Matériels de construction et de manutention
Durée : 2 heures - Coefficient : 3
Problématique :
Monsieur PALTRET, conducteur d’engins de l’entreprise LHOMME TRAVAUX PUBLICS, vous amène le 27 Avril 2020 à 10h, sa pelleteuse Kubota KX080-4. Cette pelleteuse a été achetée neuve en 2017 avec un contrat de garantie de 2 ans. Elle a toujours été entretenue par votre entreprise et totalise 1485 heures.
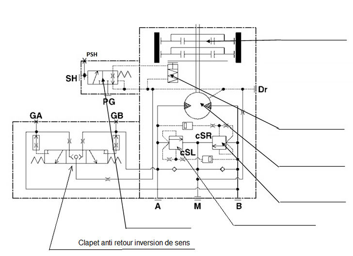
Vous devez réaliser l’entretien prévu des 1500 heures et de plus la pelleteuse a un problème d’orientation, la tourelle tourne par à-coup.
Votre travail se décompose en deux parties :
1ère Partie :L’ordre de réparation, la préparation de l’entretien, la commande de pièces et lubrifiants.
2ème Partie : L’analyse fonctionnelle et structurelle du système d’orientation de tourelle. Puis, à l’aide du dossier technique et de la plainte du client, vous diagnostiquerez la panne.