Accédez aux ressources directement depuis les compétences, savoirs, activités professionnelles, centres d'intérêt des référentiels, ainsi qu'aux sujets d'examen et séminaires nationaux.
publié le 09 nov 2017 par Benoît GOULET
Sous-épreuve E11 : Analyse d'un système technique
Durée : 3h Coefficient : 2
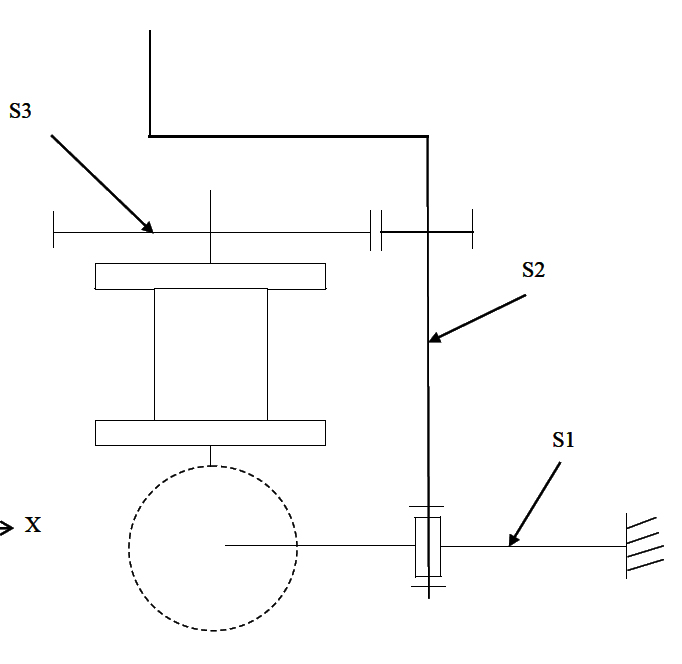
Vous devez remettre en état de fonctionnement un enrouleur de drisse. Pour cela vous devez en faire l’analyse fonctionnelle et structurelle afin de pouvoir réaliser deux opérations de maintenance :