Accédez aux ressources directement depuis les compétences, savoirs, activités professionnelles, centres d'intérêt des référentiels, ainsi qu'aux sujets d'examen et séminaires nationaux.
publié le 18 Juil 2024 par Olivier TOURVIEILLE
Soucieuse d’allier durabilité, praticité et esthétique, la société Douze cycles innove continument pour faire évoluer sa gamme de produits. Ce vélo, présenté par l’entreprise comme « une solution vélogistique tout-en-un répondant à la plupart des usages pour les familles ou les professionnels », a été lancé en 2017 pour le cinquième anniversaire de la marque.
Objectif : Déterminer l’effort à exercer par l’usager lors de la mise en stationnement sur béquille
2.1.1 Centre de gravité GV du vélo à vide
2.1.2 Centre de gravité GT du vélo chargé
Objectif : Vérifier le dimensionnement des éléments du vélo vis-à-vis du cahier des charges précisé dans le diagramme des exigences
3.1.1 Définition des ensembles
3.1.2 Modélisation des contacts entre les ensembles
3.1.3 Grandeurs cinématiques
Objectif : Modéliser le capteur de couple et dimensionner certains éléments.
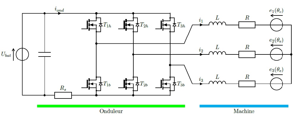
Objectif : Modéliser le fonctionnement de l’association { Machine synchrone à fcem trapézoïdales + onduleur }
Objectif : Vérifier le respect des exigences du cahier des charges
Le sujet et le corrigé de cette épreuve sont également disponibles sur le site de l’UPSTI (Union des Professeurs de Sciences et Techniques Industrielles) :
https://www.upsti.fr/espace-etudiants/annales-de-concours