Accédez aux ressources directement depuis les compétences, savoirs, activités professionnelles, centres d'intérêt des référentiels, ainsi qu'aux sujets d'examen et séminaires nationaux.
publié le 18 oct 2022 par Jean-Christophe DUCHATEAU
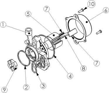
La pompe à vide qui est utilisée sur les véhicules automobiles sert à générer une dépression suffisante à l’entrée du servofrein afin de faciliter l’action de freinage pour le conducteur. Elle a donc une fonction d’assistance de freinage.
Elle est composée d’un corps 1, de trois joints d’étanchéité 2, 3, 4, d’un axe barillet 5, d’un carter 6, de deux racleurs 7, d’une palette 8, d’une bague d’accouplement 9 et de deux vis de fixation 10.
Le sujet proposé au candidat comprend quatre parties : Partie I – Étude de l’outillage pour la fabrication du carter 6. Partie II – Étude de l’axe barillet 5. Partie III – Étude du corps 1. Partie IV – Étude des racleurs 7.