Accédez aux ressources directement depuis les compétences, savoirs, activités professionnelles, centres d'intérêt des référentiels, ainsi qu'aux sujets d'examen et séminaires nationaux.
publié le 15 déc 2017 par Jean-Christophe DUCHATEAU
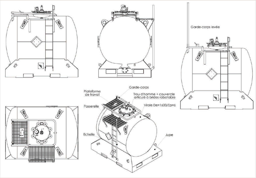
Support : Conteneur type ICH40-BSI
Le plan d'ensemble définit une citerne sur berceau destinée au conditionnement et au transport routier ou ferroviaire de liquides dangereux. De ce fait, la citerne est soumise au code de construction NF EN 14025:2008 (Citernes destinées au transport de matières dangereuses - Citernes métalliques sous pression) ainsi qu'aux prescriptions minimales du chapitre 6.8 du RID/ADR.
1. Étude du dispositif de levage de la citerne. Problématique : Vérifier un des cordons de soudure qui assemblent une oreille de levage à sa plaque renfort. 2. Étude du trou d'homme. Problématique : En vue de réaliser le piquage du trou d'homme à partir d'une tôle, rechercher les paramètres nécessaires à la programmation du logiciel de traçage assisté par ordinateur (TAO). 3. Étude de fabrication de B03. Problématique : En vue de fabriquer la pièce B03, établir la gamme de fabrication pour une série de 20 pièces. 4. Étude de soudage de la cuve. Problématique : En vue de souder la virole de la cuve avec le fond, établir le DMOS-P. 5. Étude de fabrication des fourrures F05. Problématique : En vue de fabriquer la fourrure F05, établir la gamme de fabrication de cet élément pour équiper 10 cuves.